▎来源:宁德住建局

各县(市、区)住建局、东侨经济技术开发区建设局,各相关企业:
为进一步优化营商环境,遏制资质买卖,清理“僵尸”企业,净化建筑市场,保障工程质量安全,促进我市建筑业高质量健康发展,加强建设行业事中事后监管,根据省住建厅《关于开展建设工程企业资质动态核查专项行动的通知》(闽建许〔2022〕1号)文件精神,经研究,决定开展全市建设工程企业资质动态核查工作。现就有关事项通知如下:
一、核查范围
2022年5月10日(含)以前,市本级权责清单范围内已审批的建设工程企业资质,其中:企业资质已迁外地的,由迁入资质证书颁发部门负责动态核查。具体包括:
(一)建筑业资质:1.施工总承包资质序列三级资质(不含铁路、通信工程施工总承包三级资质);2.专业承包一级、二级资质(不含铁路、民航、公路、水运、水利方面的专业承包二级资质);3.专业承包资质序列三级资质(不含铁路方面专业承包资质)及模板脚手架专业承包资质;4.施工劳务资质。具有总承包资质及专业承包资质的企业,经核查,总承包资质满足核查条件要求的(含厅本级核查的建筑业企业总承包资质),其总承包资质所涵盖的专业承包资质免予核查;取得专业承包资质的企业,按资质动态核查通知要求进行核查。
(二)监理资质:1.工程监理企业专业乙级资质认定(中央驻闽企业、省属企业除外);2.工程监理企业专业丙级资质认定(中央驻闽企业、省属企业除外);3.工程监理企业事务所资质认定(中央驻闽企业、省属企业除外)。
(三)勘察设计资质:1.工程勘察企业劳务资质(中央驻闽企业、省属企业除外);2.工程设计企业专业丙级资质(除铁路、交通、水利、信息产业、民航等方面);3.工程设计企业专业丁级资质;4.设计企业专项设计乙级资质(中央驻闽企业、省属企业除外);5.设计企业专项设计丙级资质(中央驻闽企业、省属企业除外)。
二、核查内容
对照《工程勘察资质标准》(建市〔2013〕9号)、《工程设计资质标准》(建市〔2007〕86号)、《建筑业企业资质标准(建市〔2014〕159号)、《工程监理企业资质管理规定》(建设部令第158号)和住建部有关文件要求,重点核查:企业的人员是否满足要求,具体包括:
(一)建筑业企业资质:注册建造师数量。技术负责人本轮暂不核查,对技术负责人的核查要求另行通知。
(二)监理企业资质:1.技术负责人。2. 注册人员数量。
(三)勘察设计企业资质:1.主要技术负责人或总工程师。2.专业技术人员数量。
三、核查步骤
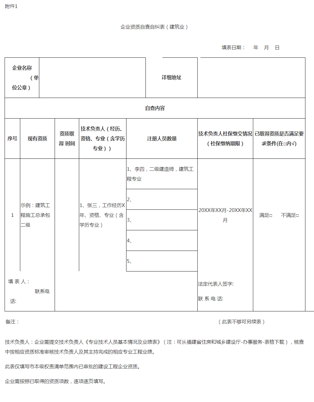
(一)自查自纠阶段(2022年5月13日至6月13日):企业进行自查自纠,做好宁德市住房和城乡建设行政审批系统里的企业信息数据维护,切实做到提交信息真实有效,企业主要人员满足资质标准要求。并按照已取得的资质项数,逐项填写《企业资质自查自纠表》(一式两份)(见附件1、2、3),上交企业注册所在地县级住建主管部门,企业注册所在地县级住建主管部门要对企业填报情况进行核实,并于6月16日前将情况汇总上报市住建局。已列入我局第一轮核查范围的建筑业企业无需填写《企业资质自查自纠表》。
(二)核查处理阶段(2022年6月20日至11月30日):住建行政主管部门对核查范围的已批建设工程企业资质进行动态核查,经核查,企业已取得资质不再符合相应资质标准要求条件的,责令限期整改,整改期限最长不超过2个月;企业整改期间,不得申请该类别资质的升级、重组、合并、分立及资质增项等业务,不得承揽该类别资质相应的新工程;逾期仍未达到资质标准要求条件的,撤回其企业质证书。其中:对有在建项目的施工企业,提出书面申请(附施工许可证、施工合同、中标通知书等证明材料),我局将视情况适当延长整改期限。
四、工作要求
(一)我局将运用信息化手段,通过资质审批政务服务系统对已批资质的企业人员,按照相应资质标准要求的数量进行系统自动锁定,并完善资质审批政务服务系统功能,对已批资质企业人员变化做到系统自动研判、预警提示。在资质动态核查推进过程中,针对企业主动进行自查自纠并通过资质审批政务服务系统补足有关人员的,做好相关服务工作。
(二)自本《通知》发布之日起至本次核查结束,对于申请资质升级、重组、合并、分立及资质增项和简单变更等业务的企业,由住建行政主管部门对企业该类别资质按照第二大点核查内容开展动态核查,企业人员仍满足已批资质相应资质标准要求的,方予以办理。
(三)建设部新资质标准颁布施行后,已通过核查的企业,直接予以换发资质证书。未通过核查的企业,按新标准进行动态核查。
五、联系方式
建筑业资质:建筑业科0593-2977355、审批科0593-2290571;
勘察设计资质:技术科0593-2977361;
监理资质:工程科0593-2837162。
宁德市住房和城乡建设局
2022年5月13日
(此件主动公开)

